螭虎架构可插拔POB并行光模块
发布时间:2025-03-17 13:35:53
发布者:AG恒峰科技
浏览次数:248AG恒峰科技推出的螭虎架构可插拔POB并行光模块系列产品,是一款面向高性能、高可靠性场景的光通信解决方案。该产品与传统尾纤固定式POB模块完全兼容,支持直接互换使用,为用户提供灵活部署和快速升级的便利性,尤其适用于严苛环境下的高速数据传输需求。

AG恒峰科技螭虎架构POB光模块产品图
产品特征:
产品的单通道速率可以分别支持:155M、1.25G、2.5G、6G、10G、16G、25G等
并行光纤通道支持:4发射、4接收、4发射4接收、8发射、8接收、12发射12接收;24发射;24接收等
电接口连接器为弹片压接式
光接口可插拔(可配备尾纤,标配为 MT 接口)
50µm 多模光纤传输距离 100m
单 3.3V 电源供电
数据差分信号 CML/LVDS/LVPECL 电平
I2C 串行数据接口通信监控
紧凑的结构设计, 高密度高容量
产品等级:
军品工业级(J):-40℃~+85℃
军品扩展工业级(M):-55℃~+85℃
军品定制温度(D)
产品应用:
支持甚短距离的高速数据通信连接
服务器与存储器阵列的互连
机载雷达
其他光学链接
执行标准:
符合 I 类激光安全标准 IEC-60825
ROHS 2.0

12收12发POB并行光模块原理框图
产品订购信息表:
| 型号 | 速率 | 波长 | 传输距离 | 光纤类型 | 接口 | 工作温度 |
| DTBBR44-9BBSNJ2 | 10.3125Gbps | 850nm | 100m | 多模 | MT | -40℃~+85℃ |
| DTBBR44-9BBSNM2 | 10.3125Gbps | 850nm | 100m | 多模 | MT | -55℃~+85℃ |
注:工作温度为外壳温度
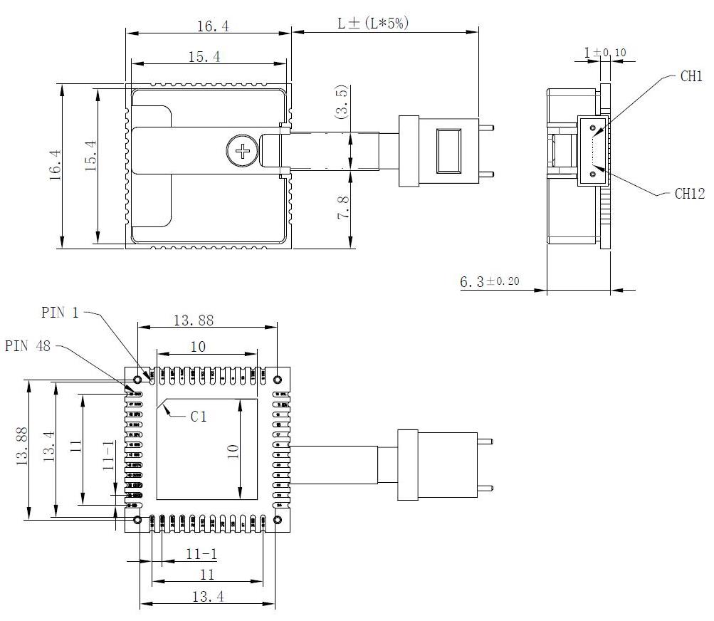
模块尺寸(单位为毫米,未标注公差为±0.2mm)

螭虎架构LCC模块尾纤装配(尾纤末端接口形式可定制,标准品为 MT 接口)
(1) 模块尾纤可在将模块本体正确安装好后再装配尾纤,也可以提前装配好尾纤,再将模块安装至主板。 置入模块侧尾纤为专用可插拔 1*12 芯 jumper,如下图黄色部分所示。

螭虎POB光模块产品安装参考图
(2) 建议装配顺序如下:
1、将模块本体顶部弹片轻轻下压,随后将尾纤置入,注意 jumper 需要按照图示方向置入,参考下图:

螭虎POB光模块装配参考图
2、尾纤置入后,放开顶部弹片,观察光口位置弹片是否正确卡住尾纤 MT 接口。装配好的情况下 弹片约卡在 jumper 接口左右肩部,参考下图。

螭虎POB光模块单片卡位参考图
3、尾纤正确卡紧后,在弹片中间拧入螺丝,做好固定,参考下图

螭虎POB光模块弹片螺丝锁付
尾纤装配好之后,剩余尾纤长度 WL=L-(4.7±0.5) mm,参考下图

螭虎POB光模块尾纤尺寸参考
尾纤长度代码表:
| 尾纤长度(mm) | 代码 | 尾纤长度(mm) | 代码 |
| 30 | 0 | 150 | R |
| 50 | A | 160 | S |
| 55 | B | 170 | T |
| 60 | C | 180 | U |
| 65 | D | 190 | V |
| 70 | E | 200 | 2 |
| 75 | F | 300 | 3 |
| 80 | G | 400 | 4 |
| 85 | H | 500 | 5 |
| 90 | J | 600 | 6 |
| 95 | K | 700 | 7 |
| 100 | 1 | 800 | 8 |
| 110 | M | 900 | 9 |
| 120 | N | 1000 | L |
| 130 | P | 1500 | Z |
| 140 | Q | 定制 | Y |
注:
尾纤长度≥50mm 时扁纤、圆纤、散纤可选,带弹簧、带导针可选。
尾纤长度<50mm 时可做扁纤,不带弹簧。
尾纤长度常规公差为±L*5%。
特殊需求另行沟通。
螭虎架构12发12收POB光模块(DTBBR44-9BBSNJ2)振动冲击试验报告前后测试数据对比:
因篇幅有限这里仅做部分测试数据展示,需要详细测试报告可添加我们技术支持的微信索取。
振动试验前产品测试报告(部分):

振动试验后产品测试报告(部分):

AG恒峰科技螭虎架构POB光模块以军工品质与模块化设计为核心优势,为用户提供从数据中心到尖端装备的全场景光互联支持。
(注:文中图片标注及代码表详见产品文档,特殊需求可联系技术团队专项沟通。)





