SFF2x5 单/双纤柔带输出数字光收发模块
发布时间:2025-07-11 13:20:59
发布者:AG恒峰科技
浏览次数:366SFF2x5 系列光收发模块是成都AG恒峰科技推出的高性能光通信产品,涵盖单纤双向(SC 接口)与双纤双向(LC 接口)两大类型,速率覆盖 155Mbps、1.25Gbps、2.5Gbps,传输距离从多模 300m/2km 到单模 10km~160km 不等,全面满足不同场景的通信需求。该系列均采用 SFF2x5 封装,单 3.3V 电源供电,信号输入 / 输出为 CML 电平,具备极低的电磁干扰和优良的 ESD 保护性能,产品等级分为军品工业级(J,-40℃/-45℃~+85℃)和军品扩展工业级(M,-55℃~+85℃),能适应严苛的工业环境。在光学特性上,系列产品消光比均不低于 8.2dB,发射关断光功率≤-40dBm,接收灵敏度根据型号不同可达 - 19dBm 至 - 34dBm,确保信号稳定传输;电气特性方面,发射端差分输入幅度 200~2000mVpp、阻抗 90~110ohm,接收端差分输出幅度 300~1200mVpp、阻抗 90~110ohm,性能一致性优异。接口设计上,单纤型号配备 SC 接口,双纤型号采用 LC 接口,部分多模型号支持 850nm/1310nm 波长,单模型号涵盖 1310nm、1490nm、1550nm 等波长,适配多样化光纤链路。该系列符合 I 类激光安全标准 IEC-60825 和 ROHS 2.0 标准,广泛应用于以太网交换机、光纤通道、路由器等设备,为工业控制、通信网络等领域提供灵活可靠的光传输解决方案,兼顾兼容性与环境适应性,体现了全国产化方案的技术实力。
产品特性:
SFF2x5封装
单路双纤双向,LC光接口
支持155Mbps、622Mbps、1.25Gbps、2.5Gbps速率传输
多模模块传输距离300m、500m、1km
单模模块传输距离10km~120km可选
单3.3V电源供电
信号输入/输出CML电平
极低的电磁干扰和优良的ESD保护
产品应用:
以太网交换机和路由器
光纤交换机基础设施
其他光学链接
产品等级:
军品工业级(J):-40°C/-45°C~+85°C
军品扩展工业级(M):-55°C~+85°C
执行标准
符合I类激光安全标准IEC-60825
ROHS2.0
订购信息
| 型号 | 速率 | 波长(nm) | 传输距离 | 光纤类型 | 数据诊断 | 接口 | 工作温度注1 |
| DTACF44-RRLD*注11 | 622Mbps | 850 | 500m | 多模 | 不带 | LC | J/M |
| DTACF45-RRLM*注11 | 622Mbps | 1310 | 1km | 多模 | 不带 | LC | J/M |
| DTACF45-RRLL*注11 | 622Mbps | 1310 | 10Km | 单模 | 不带 | LC | J/M |
| DTACF45-RRLG*注11 | 622Mbps | 1310 | 20Km | 单模 | 不带 | LC | J/M |
| DTABFP9-RRSL*注11 | 622Mbps | T1310/R1550 | 10Km | 单模 | 不带 | SC | J/M |
| DTABFQ2-RRSL*注11 | 622Mbps | T1550/R1310 | 10Km | 单模 | 不带 | SC | J/M |
| DTABFP9-RRSG*注11 | 622Mbps | T1310/R1550 | 20Km | 单模 | 不带 | SC | J/M |
| DTABFQ2-RRSG*注11 | 622Mbps | T1550/R1310 | 20Km | 单模 | 不带 | SC | J/M |
| DTABFP9-RRSE*注11 | 622Mbps | T1310/R1550 | 40Km | 单模 | 不带 | SC | J/M |
| DTABFQ2-RRSE*注1 | 622Mbps | T1550/R1310 | 40Km | 单模 | 不带 | SC | J/M |
| DTABFQ8-RRSZ*注11 | 622Mbps | T1490/R1550 | 80Km | 单模 | 不带 | SC | J/M |
| DTABFQ9-RRSZ*注11 | 622Mbps | T1550/R1490 | 80Km | 单模 | 不带 | SC | J/M |
| DTABFQ8-RRSQ*注11 | 622Mbps | T1490/R1550 | 120Km | 单模 | 不带 | SC | J/M |
| DTABFQ9-RRSQ*注11 | 622Mbps | T1550/R1490 | 120Km | 单模 | 不带 | SC | J/M |
| DTACF44-22LS*注11 | 2.5Gbps | 850 | 300m | 多模 | 不带 | LC | J/M |
| DTACF45-22LS*注11 | 2.5Gbps | 1310 | 300m | 多模 | 不带 | LC | J/M |
| DTACF45-22LL*注11 | 2.5Gbps | 1310 | 10Km | 单模 | 不带 | LC | J/M |
| DTACF45-22LG*注11 | 2.5Gbps | 1310 | 20Km | 单模 | 不带 | LC | J/M |
| DTACF45-22LE*注11 | 2.5Gbps | 1310 | 40Km | 单模 | 不带 | LC | J/M |
| DTACF46-22LE*注11 | 2.5Gbps | 1550 | 40Km | 单模 | 不带 | LC | J/M |
| DTACF46-22LZ*注11 | 2.5Gbps | 1550 | 80Km | 单模 | 不带 | LC | J/M |
| DTACF46-22LQ*注11 | 2.5Gbps | 1550 | 120Km | 单模 | 不带 | LC | J/M |
| DTABFP9-22SL*注11 | 2.5Gbps | T1310/R1550 | 10Km | 单模 | 不带 | SC | J/M |
| DTABFQ2-22SL*注11 | 2.5Gbps | T1550/R1310 | 10Km | 单模 | 不带 | SC | J/M |
| DTABFP9-22SG*注11 | 2.5Gbps | T1310/R1550 | 20Km | 单模 | 不带 | SC | J/M |
| DTABFQ2-22SG*注11 | 2.5Gbps | T1550/R1310 | 20Km | 单模 | 不带 | SC | J/M |
| DTABFP9-22SE*注11 | 2.5Gbps | T1310/R1550 | 40Km | 单模 | 不带 | SC | J/M |
| DTABFQ2-22SE*注1 | 2.5Gbps | T1550/R1310 | 40Km | 单模 | 不带 | SC | J/M |
| DTABFQ8-22SZ*注11 | 2.5Gbps | T1490/R1550 | 80Km | 单模 | 不带 | SC | J/M |
| DTABFQ9-22SZ*注11 | 2.5Gbps | T1550/R1490 | 80Km | 单模 | 不带 | SC | J/M |
| DTABFP9-KKSL*注11 | 155Mbps | T1310/R1550 | 10Km | 单模 | 不带 | SC | J/M |
| DTABFQ2-KKSL*注11 | 155Mbps | T1550/R1310 | 10Km | 单模 | 不带 | SC | J/M |
| DTABFP9-KKSG*注11 | 155Mbps | T1310/R1550 | 20Km | 单模 | 不带 | SC | J/M |
| DTABFQ2-KKSG*注11 | 155Mbps | T1550/R1310 | 20Km | 单模 | 不带 | SC | J/M |
| DTABFP9-KKSE*注11 | 155Mbps | T1310/R1550 | 40Km | 单模 | 不带 | SC | J/M |
| DTABFQ2-KKSE*注1 | 155Mbps | T1550/R1310 | 40Km | 单模 | 不带 | SC | J/M |
| DTABFQ8-KKSZ*注11 | 155Mbps | T1490/R1550 | 80Km | 单模 | 不带 | SC | J/M |
| DTABFQ9-KKSZ*注11 | 155Mbps | T1550/R1490 | 80Km | 单模 | 不带 | SC | J/M |
| DTABFQ8-KKSQ*注11 | 155Mbps | T1490/R1550 | 120Km | 单模 | 不带 | SC | J/M |
| DTABFQ9-KKSQ*注11 | 155Mbps | T1550/R1490 | 120Km | 单模 | 不带 | SC | J/M |
| DTACF44-KKLF*注11 | 155Mbps | 850 | 2km | 多模 | 不带 | LC | J/M |
| DTACF45-KKLF*注11 | 155Mbps | 1310 | 2km | 多模 | 不带 | LC | J/M |
| DTACF45-KKLL*注11 | 155Mbps | 1310 | 10Km | 单模 | 不带 | LC | J/M |
| DTACF45-KKLG*注11 | 155Mbps | 1310 | 20Km | 单模 | 不带 | LC | J/M |
| DTACF45-KKLE*注11 | 155Mbps | 1310 | 40Km | 单模 | 不带 | LC | J/M |
| DTACF46-KKLE*注11 | 155Mbps | 1550 | 40Km | 单模 | 不带 | LC | J/M |
| DTACF46-KKLZ*注11 | 155Mbps | 1550 | 80Km | 单模 | 不带 | LC | J/M |
| DTACF46-KKLQ*注11 | 155Mbps | 1550 | 120Km | 单模 | 不带 | LC | J/M |
| DTACF46-KKLB*注11 | 155Mbps | 1550 | 160Km | 单模 | 不带 | LC | J/M |
| DTACF44-11LD*注11 | 1.25Gbps | 850 | 500m | 多模 | 不带 | LC | J/M |
| DTACF45-11LD*注11 | 1.25Gbps | 1310 | 500m | 多模 | 不带 | LC | J/M |
| DTACF45-11LL*注11 | 1.25Gbps | 1310 | 10Km | 单模 | 不带 | LC | J/M |
| DTACF45-11LG*注11 | 1.25Gbps | 1310 | 20Km | 单模 | 不带 | LC | J/M |
| DTACF45-11LE*注11 | 1.25Gbps | 1310 | 40Km | 单模 | 不带 | LC | J/M |
| DTACF46-11LE*注11 | 1.25Gbps | 1550 | 40Km | 单模 | 不带 | LC | J/M |
| DTACF46-11LZ*注11 | 1.25Gbps | 1550 | 80Km | 单模 | 不带 | LC | J/M |
| DTACF46-11LQ*注11 | 1.25Gbps | 1550 | 120Km | 单模 | 不带 | LC | J/M |
| DTABFP9-11SL*注11 | 1.25Gbps | T1310/R1550 | 10Km | 单模 | 不带 | SC | J/M |
| DTABFQ2-11SL*注11 | 1.25Gbps | T1550/R1310 | 10Km | 单模 | 不带 | SC | J/M |
| DTABFP9-11SG*注11 | 1.25Gbps | T1310/R1550 | 20Km | 单模 | 不带 | SC | J/M |
| DTABFQ2-11SG*注11 | 1.25Gbps | T1550/R1310 | 20Km | 单模 | 不带 | SC | J/M |
| DTABFP9-11SE*注11 | 1.25Gbps | T1310/R1550 | 40Km | 单模 | 不带 | SC | J/M |
| DTABFQ2-11SE*注1 | 1.25Gbps | T1550/R1310 | 40Km | 单模 | 不带 | SC | J/M |
| DTABFQ8-11SZ*注11 | 1.25Gbps | T1490/R1550 | 80Km | 单模 | 不带 | SC | J/M |
| DTABFQ9-11SZ*注11 | 1.25Gbps | T1550/R1490 | 80Km | 单模 | 不带 | SC | J/M |
| DTABFQ8-11SQ*注11 | 1.25Gbps | T1490/R1550 | 120Km | 单模 | 不带 | SC | J/M |
| DTABFQ9-11SQ*注11 | 1.25Gbps | T1550/R1490 | 120Km | 单模 | 不带 | SC | J/M |
注1:外壳温度
管脚定义

引脚 | 符号 | 描述 | 备注 |
1 | VeeR | 接收地 | - |
2 | VccR | 接收电源 | - |
3 | SD | 接收信号检测输出(LVTTL),信号正常输出高电平 | 1 |
4 | RD- | 接收部分反向数据输出(CML,内部AC耦合) | - |
5 | RD+ | 接收部分正向数据输出(CML,内部AC耦合) | - |
6 | VccT | 发射电源 | - |
7 | VeeT | 发射地 | - |
8 | TXDIS | 发射部分关断(LVTTL) | 2 |
9 | TD+ | 发射部分正向数据输入(CML,内部AC耦合) | - |
10 | TD- | 发射部分反向数据输入(CML,内部AC耦合) | - |
备注1:模块内部该引脚上拉10KΩ电阻至 VCCT。
备注2:模块内部该引脚上拉10KΩ电阻到VCC,TXDIS关断为高电平有效,若不使用TX_DISABLE 功能,应该将TXDIS引脚下拉至低电平,不可悬浮,否则为导致模块工作不正常,模块正常工作时该引脚置低
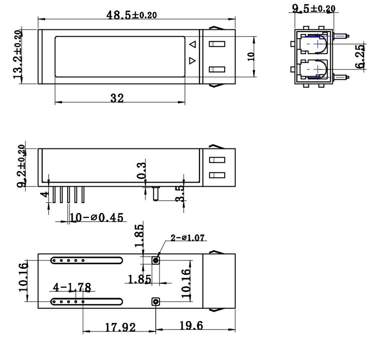
模块尺寸 单位为毫米,未做标示的公差为±0.1mm。






